

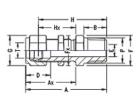
BulkHead Male Connector
INCH OD Tubes X Male NPT Threads
| T Tube OD |
P NPT Male |
A | Ax | B | D | E min. |
F A/F |
G A/F |
H | Hx | Panel Hole Drill Size |
Max.Panel Thickness |
Fluid Control Part No. |
| 1/8 | 1/8 | 46.4 | 31.2 | 9.6 | 12.7 | 2.4 | 14 | 11 | 39.8 | 24.6 | 8.3 | 12.7 | 2-SCMB-N |
| 1/4 1/4 | 1/8 1/4 | 49.5 54.1 | 33.5 33.5 | 9.6 14.3 | 15.3 15.3 | 4.8 4.8 | 16 16 |
14 14 |
42.2 46.7 | 26.2 26.2 | 11.5 11.5 |
10.2 10.2 |
4-2SCMB-N 4 SCMB-N |
| 3/8 3/8 3/8 | 1/4 3/8 1/2 |
57.4 57.4 63.7 | 36.8 36.8 36.8 | 14.3 14.3 19.1 | 16.8 16.8 16.8 | 7.1 7.1 7.1 | 19 19 22 |
17 17 17 |
50.0 50.0 56.5 |
29.5 29.5 29.5 |
14.7 14.7 14.7 |
11.2 11.2 11.2 |
6-4SCMB-N 6 SCMB-N 6-8SCMB-N |
| 1/2 1/2 | 3/8 1/2 |
63.3 68.8 | 41.9 41.9 | 14.3 19.1 | 22.9 22.9 | 9.6 10.4 | 24 24 | 22 22 |
53.0 58.8 | 31.8 31.8 | 19.5 19.5 |
12.7 12.7 |
8-6SCMB-N 8 SCMB-N |
| 3/4 | 3/4 |
76.2 | 47.5 | 19.1 | 24.4 | 15.8 | 30 | 28.5 | 66.9 | 37.4 | 25.8 | 16.8 | 12 SCMB-N |
| 1 | 1 | 93.2 | 57.4 | 23.9 | 31.2 | 22.3 | 41 | 38 | 81.0 | 45.2 | 33.7 | 19.0 | 16 SCMB-N |
| 1.1/4 | 1.1/4 | 110.5 | 72.5 | 23.9 | 41.2 | 27.6 | 50 | 50 | 87.5 | 49.5 | 42.5 | 19.0 | 20 SCMB-N |
| 1.1/2 | 1.1/2 | 122.8 | 79.1 | 26.2 | 50.0 | 34.0 | 60 | 57 | 95.5 | 51.5 | 50.5 | 19.0 | 24 SCMB-N |
METRIC OD Tubes X Male NPT Threads
| T Tube OD |
P NPT Male |
A | Ax | B | D | E min. |
F A/F |
G A/F |
H | Hx | Panel Hole Drill Size |
Max.Panel Thickness |
Fluid Control Part No. |
| 3 | 1/8 | 46.4 | 31.2 | 9.6 | 12.9 | 2.4 | 11 | 11 | 39.8 | 24.6 | 8.3 | 12.7 | SCMB 3-2N |
| 6 | 1/8 | 49.5 | 33.5 | 9.6 | 15.3 | 4.8 | 16 | 14 | 42.2 | 26.2 | 11.5 | 10.2 | SCM B6-2N |
| 10 10 | 1/4 3/8 |
57.4 57.4 | 36.8 36.8 | 14.3 14.3 | 17.2 17.2 | 7.1 7.1 | 19 19 | 17 17 |
50.0 50.0 | 29.5 29.5 | 14.7 14.7 |
11.2 11.2 |
SCMB 10-4N SCMB10-4N |
| 12 12 | 3/8 1/2 |
63.3 68.8 | 41.9 41.9 | 14.3 19.1 | 22.0 22.0 | 9.6 10.4 | 24 24 | 22 22 |
53.0 58.8 | 31.8 31.8 | 19.5 19.5 |
12.7 12.7 |
SCMB 12-6N SCMB 12-8N |
| 16 | 1/2 | 69.6 | 42.6 | 19.1 | 24.4 | 11.9 | 27 | 25 | 59.5 | 32.5 | 22.8 | 12.7 | SCMB16-8N |
| 22 | 3/4 | 83.3 | 53.0 | 19.1 | 26.0 | 15.8 | 35 | 25 | 73.2 | 42.9 | 29.0 | 19.0 | SCMB 22-12N |
| 25 | 1 | 93.2 | 57.4 | 23.9 | 31.3 | 22.3 | 41 | 38 | 81.0 | 45.2 | 33.7 | 19.0 | SCMB 25-16N |
| 32 | 1.1/4 | 110.5 | 72.5 | 23.9 | 42.0 | 28.6 | 50 | 50 | 87.5 | 49.5 | 42.5 | 19.0 | SCMB 32-20N |
| 38 | 1.1/2 | 122.8 | 79.1 | 26.2 | 49.4 | 33.7 | 60 | 57 | 95.5 | 51.5 | 50.5 | 19.0 | SCMB 38-24N |
NOTE : Bulkhead Male Connectors are also available with ISO Taper Male Threads, ISO Parallel Male Threads, ISO ParallellMale Therads – RP and RS and UNEF Threads. Please consult us for details.
