

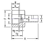
Female Manometer Adapter
INCH OD Ports X Female ISO* Parallel Threads (gage)
| T Tube OD | P ISO Female | A | B | E min |
F A/F |
a2 | d4 | b min. |
12 | Fluid Controls Part No. |
| 1/4 | 1/4 | 35.3 | 13.0 | 4.8 | 19 | 1.6 | 5.8 | 9.4 | 17.0 | 4 SAF-MAN |
| 3/8 | 3/8 | 39.4 | 14.2 | 6.6 | 24 | 1.6 | - | 9.9 | - | 6 SAF-MAN |
| 1/2 | 1/2 | 45.7 | 18.8 | 7.1 | 27 | 1.6 | - | 14.5 | - | 8 SAF-MAN |
METRIC OD Ports X Female ISO* Parallel Threads (gage)
| T Tube OD | P ISO Female | A | B | E min |
F A/F |
a2 | d4 | b min. |
12 | Fluid Controls Part No. |
| 6 6 6 |
1/4 3/8 1/2 |
35.3 38.4 42.9 |
12.9 14.1 18.9 |
4.6 4.6 4.6 |
19 24 27 |
1.6 1.6 1.6 |
5.5 6.5 7.0 |
9.5 10.0 14.5 |
17.0 20.3 24.9 |
SAF 6-4MAN SAF 6MAN SAF 6-8MAN |
| 8 8 |
1/4 1/2 |
33.0 43.7 |
12.9 18.9 |
5.5 6.2 |
19 27 |
1.6 1.6 |
- 7.0 |
9.5 14.5 |
- 24.9 |
SAF 8-4MAN SAF 8MAN |
| 10 10 |
1/4 1/2 |
34.5 40.1 |
12.9 18.9 |
5.5 7.0 |
19 27 |
1.6 1.6 |
- - |
9.5 14.5 |
- - |
SAF 10-4MAN SAF 10-8MAN |
| 12 12 |
1/4 1/2 |
40.1 48.8 |
12.9 18.9 |
5.5 7.0 |
19 27 |
1.6 1.6 |
- - |
9.5 14.5 |
- - |
SAF 12-4MAN SAF 12-8MAN |
No seal is made around the male thread. Instead, a gasket is dropped into the flat bottom in the female thread, and the end of the male threaded end exerts a load on the gasket to seal.
* Reference Specifications : BS 2779 : ISO 228/1 : JIS B0202 : DIN-ISO 228/1
