Flange Assembly with Butt Weld End Connections
PN 160, PN 250 & PN 315
Ref: Avit FA and FK Series
| MATERIAL | AFU | AFH |
|
| PART | QTY | ||
| 1) FLANGE |
C. S. IS. 2062 |
1 | 2 |
| 2) SLEEVE WITH GROOVE |
C. S. IS. 2062 |
1 | 1 |
| 3) SLEEVE WITHOUT GROOVE |
C. S. IS. 2062 | - | 1 |
| 4) 'O'RING |
NITRILE |
1 | 1 |
| 5) HEX BOLT | IS. 1364 | 4 or 8 | 4 or 8 |
| 6) HEX NUT | IS. 1364 | - | 4 or 8 |
| 7) SPRING WASHER |
IS. 3063 |
4 or 8 | 4 or 8 |
FINISH: ALL CS PARTS ARE PHOSPHATIZED.
TEST PRESSURE: FH SERIES & FU SERIES:
PN 160 bar: 2400 PSI HYDROSTATIC@ ROOM TEMPERATURE
PN 250 bar: 3750 PSI HYDROSTATIC@ ROOM TEMPERATURE
PN 315 bar: 4500 PSI HYDROSTATIC@ ROOM TEMPERATURE

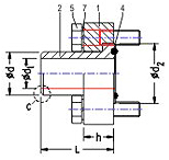
FH
Half Flange Assembly

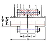
FU
Union Flange Assembly
Version Of The From Of Welding Seam According To Din 2559(Details ‘C’)

Wall Thickness 12mm

12mm Upto16mm

Above 16mm

Round Flange For Size Above DN 150

Round Flange For Size Above DN 150
DIMENSIONS: FH Series & FU Series – PN 250
| DN | PIPE SIZE | Ф d | Фd 1 | Ф d 2 | L | L1 | B/D | h | T | '0' RING SIZE | HEX. BOLT | |
| FH SERIES | ||||||||||||
| INCH | MM | ODx WT | FU SERIES | |||||||||
| 1/2 | 15 | 16x12 | 16 | 12 | 28 | 43 | 80 | 50 | 19 | 44 | 17.12x2.62 | 4/M10x35 |
| 17.1 x 3.2 (3/8 "SCH 80) | 17 | 10.5 | ||||||||||
| 4/M10x55 | ||||||||||||
| 3/4 | 20 | 20x2.5 | 20 | 15 | 38 | 50 | 94 | 60 | 19 | 54 | 25.07 x 2.62 | 4/M10x35 |
| 21.3 x 3.73 (1/2"SCH 80) | 22 | 13.5 | ||||||||||
| 25x3 | 25 | 19 | 4/M10x55 | |||||||||
| 26.9 x 3.91 (3/4 SCH 80) | 27 | 19 | ||||||||||
| 1 | 25 | 30x4 | 30 | 22 | 46 | 56 | 106 | 70 | 19 | 64 | 29.82 x 2.62 | 4/M12x35 |
| 33.4x4.55(1 "SCH 80) | 35 | 24 | ||||||||||
| 4/M12x60 | ||||||||||||
| 11/4 | 32 | 48.3x5.0(1 1/2" SCH 80) | 49 | 38.5 | 55 | 64 | 122 | 80 | 24 | 72 | 34.59 x 2.62 | 4/M12x40 |
| 4/M12x70 | ||||||||||||
| 11/2 | 40 | 48.3 x 5.08 (11/2"SCH 80) | 49 | 38.5 | 60 | 68 | 130 | 90 | 29 | 80 | 47.22 x 3.53 | 4/M16x50 |
| 4/M16x80 | ||||||||||||
| 2 | 50 | 60.3 x 5.54 (2"SCH 80) | 62 | 49 | 76 | 80 | 153 | 100 | 38 | 98 | 53.57 x 5.33 | 4/M16x60 |
| 603x6.3 | 62 | 47.5 | ||||||||||
| 4/M16x100 | ||||||||||||
| 21/2 | 65 | 73.0 x 7.01 (21/2"SCH 80) | 73 | 59 | 92 | 98 | 190 | 120 | 47 | 118 | 69.44 x 5.33 | 4/ M20 x 70 |
| 76.1x7.1 | 76 | 62 | ||||||||||
| 4/M20x120 | ||||||||||||
| 3 | 80 | 889x7.62 (3" SCH 80) | 90 | 73.5 | 135 | 135 | 262 | 180 | 59 | 175 | 100.3x5.33 | 4/ M30 x 90 |
| 101.6x10 | 102 | 81.5 | 4/M30x150 | |||||||||
| 4 | 100 | 114.3 x 11.13 (4"SCH 120) | 115 | 92 | 135 | 135 | 262 | 180 | 59 | 175 | 107.54x5.33 | 4/ M30 x 90 |
| 4/M30x150 | ||||||||||||
| 5 | 125 | 141.3x12.7(5"SCH120) | 142 | 116 | 168 | 150 | 292 | 245 | 69 | 200 | 132.71x6.99 | 8/M24x100 |
| 152.4x16 | 153 | 120.5 | 8/M24x170 | |||||||||
| 6 | 150 | 168.3 x 14.27 (6"SCH 120) | 169 | 139.5 | 205 | 150 | 372 | 300 | 79 | 245 | 158.11x6.99 | 8/ M30 x 110 |
| 177.8x17.5 | 179 | 143 | 8/ M30 x 200 | |||||||||
DIMENSIONS: FH Series & FU Series – PN 250
| PIPE SIZE | Ф d | Ф d 1 | Ф d 2 | L | L1 | B/D | h | T | '0' RING SIZE | HEX. BOLT | ||
| DN | FH SERIES | |||||||||||
| INCH | MM | ODx WT | FU SERIES | |||||||||
| 3/8 | 10 | 16x2.6 | 16 | 12 | 28 | 43 | 80 | 50 | 19 | 44 | 17.12x2.62 | 4/M10x35 |
| 17.1 x 3.2 (3/8 "SCH 80) | 17 | 10.5 | ||||||||||
| 4/M10x55 | ||||||||||||
| 1/2 | 15 | 20 x 2.9 | 20 | 14 | 38 | 50 | 94 | 60 | 19 | 54 | 25.07x2.62 | 4/M10x35 |
| 21.3x2.6 | 22 | 16 | ||||||||||
| 21.3 x 3.73 (1/2"SCH 80) | 22 | 13.5 | 4/M10x55 | |||||||||
| 3/4 | 20 | 26.9x3.6 | 27 | 19.5 | 46 | 56 | 106 | 70 | 19 | 64 | 29.82x2.62 | 4/M12x35 |
| 26.9x3.91 (3/4 SCH 80) | 27 | 19 | ||||||||||
| 4/M12x60 | ||||||||||||
| 1 | 25 | 33.4x4.5(1'SCH 80) | 34 | 25 | 55 | 64 | 122 | 80 | 24 | 72 | 34.59 x 2.62 | 4/M12x40 |
| 4/M12x70 | ||||||||||||
| 11/4 | 32 | 42.2x5.6 | 43 | 31 | 60 | 68 | 130 | 90 | 29 | 80 | 44.04 x 3.53 | 4/M16x50 |
| 42.2x6.35 (11/4" SCH 160) | 43 | 29.5 | ||||||||||
| 4/M16x80 | ||||||||||||
| 11/2 | 40 | 48.3 X7.14 (11/2" SCH 160) | 62 | 49 | 76 | 80 | 153 | 100 | 38 | 98 | 53.34 x 5.33 | 4/M16x60 |
| 62 | 47.5 | |||||||||||
| 60.3 x 8.74 (2"SCH "160) | 4/M16x100 | |||||||||||
| 2 | 50 | 73.0 x 9.53 (21/2"SCH 160) | 73 | 54 | 92 | 98 | 190 | 120 | 47 | 118 | 59.69x5.33 | 4/ M20 x 70 |
| 76.1x10 | 76 | 56 | 4/M20x120 | |||||||||
| 21/2 | 65 | 88.9x11.13 (3" SCH 160) | 90 | 67 | 110 | 109 | 210 | 150 | 48 | 145 | 75.56x5.33 | 4/ M24 x 75 |
| 4/M24x130 | ||||||||||||
| 3 | 80 | 101.6x14.1 | 102 | 73 | 135 | 135 | 262 | 180 | 59 | 175 | 88.26 x 5.33 | 4/ M30 x 90 |
| 114.3 x 13.49 (4"SCH 160) | 115 | 87.5 | 4/M30x150 | |||||||||
| 4 | 100 | 141.3x15.88 (5"SCH 120) | 142 | 109.5 | 168 | 150 | 292 | 245 | 69 | 200 | 113.66X5.33 | 8/M24x100 |
| 139.7x20 | 140 | 99.5 | 8/M24x170 | |||||||||
| 5 | 125 | 168.3x21.95(6"SCHXXS) | 169 | 124 | 205 | 190 | 372 | 300 | 79 | 245 | 148.59X6.99 | 8/ M30 x 110 |
| 8/ M30 x 200 | ||||||||||||
| 6 | 150 | 245 | 200 | 391 | 355 | 89 | 290 | 183.51X6.99 | 8/M36x130 | |||
| 193.7x25 | 169 | 143.5 | 8/ M36 x 220 | |||||||||
DIMENSIONS: FH Series & FU Series – PN 250
| DN | PIPE SIZE | Фd | Фd1 | Фd2 | L | L 1 | B/D | h | T | 'O' RING SIZE | HEX. BOLT | |
| FH SERIES | ||||||||||||
| INCH | MM | OD x WT | FU SERIES | |||||||||
| 3/8 | 10 | 16 x 2.6 | 16 | 12 | 28 | 43 | 80 | 50 | 19 | 44 | 17.12 x 2.62 | 4/ M10 x 35 |
| 17.1 x 3.2 (3/8 "SCH 80) | 17 | 10.5 | ||||||||||
| 4/ M10 x 55 | ||||||||||||
| 1/2 | 15 | 20 x 2.9 | 20 | 14 | 38 | 50 | 94 | 60 | 19 | 54 | 25.07 x 2.62 | 4/ M10 x 35 |
| 21.3 x 2.6 | 22 | 16 | ||||||||||
| 21.3 x 3.73 (1/2"SCH 80) | 22 | 13.5 | 4/ M10 x 55 | |||||||||
| 3/4 | 20 | 26.9 x 3.6 | 27 | 19.5 | 46 | 56 | 106 | 70 | 19 | 64 | 29.82 x 2.62 | 4/ M12 x 35 |
| 26.9 x 3.91 (3/4 SCH 80) | 27 | 19 | ||||||||||
| 4/ M12 x 60 | ||||||||||||
| 1 | 25 | 33.4 x 4.5 (1'SCH 80) | 34 | 25 | 55 | 64 | 122 | 80 | 24 | 72 | 34.59 x 2.62 | 4/ M12 x 40 |
| 4/ M12 x 70 | ||||||||||||
| 1 1/4 | 32 | 42.2 x 5.6 | 43 | 31 | 60 | 68 | 130 | 90 | 29 | 80 | 44.04 x 3.53 | 4/ M16 x 50 |
| 42.2 x 6.35 (11/4" SCH 160) | 43 | 29.5 | ||||||||||
| 4/ M16 x 80 | ||||||||||||
| 1 1/2 | 40 | 48.3 x 7.14 (11/2" SCH 160) | 62 | 49 | 76 | 80 | 153 | 100 | 38 | 98 | 53.34 x 5.33 | 4/ M16 x 60 |
| 62 | 47.5 | |||||||||||
| 60.3 x 8.74 (2"SCH "160) | 4/ M16+ x 100 | |||||||||||
| 2 | 50 | 73.0 x 9.53 (21/2"SCH 160) | 73 | 54 | 92 | 98 | 190 | 120 | 47 | 11 8 | 59.69 x 5.33 | 4/ M20 x 70 |
| 76.1 x 10 | 76 | 56 | 4/ M20 x 120 | |||||||||
| 21/2 | 65 | 88.9 x 11.13 (3" SCH 160) | 90 | 67 | 11 0 | 109 | 210 | 150 | 48 | 145 | 75.56 x 5.33 | 4/ M24 x 75 |
| 4/ M24 x 130 | ||||||||||||
| 3 | 80 | 101.6 x 14.1 | 102 | 73 | 135 | 135 | 262 | 180 | 59 | 175 | 88.26 x 5.33 | 4/ M30 x 90 |
| 114.3 x 13.49 (4"SCH 160) | 11 5 | 87.5 | 4/ M30 x 150 | |||||||||
| 4 | 100 | 141.3 x 15.88 (5"SCH 120) | 142 | 109.5 | 168 | 150 | 292 | 245 | 69 | 200 | 113.66X5.33 | 8/ M24 x 100 |
| 139.7 x 20 | 140 | 99.5 | 8/ M24 x 170 | |||||||||
| 5 | 125 | 168.3 x 21.95 (6"SCH XXS) | 169 | 124 | 205 | 190 | 372 | 300 | 79 | 245 | 148.59 X 6.99 | 8/ M30 x 110 |
| 8/ M30 x 200 | ||||||||||||
| 6 | 150 | 245 | 200 | 391 | 355 | 89 | 290 | 183.51 X 6.99 | 8/ M36 x 130 | |||
| 193.7 x 25 | 194 | 143.5 | 8/ M36 x 200 | |||||||||
